Interfacing LCD Display in 8bit Mode
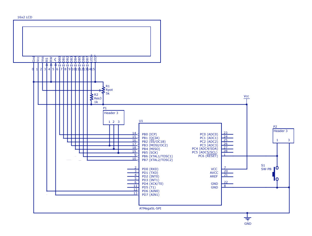
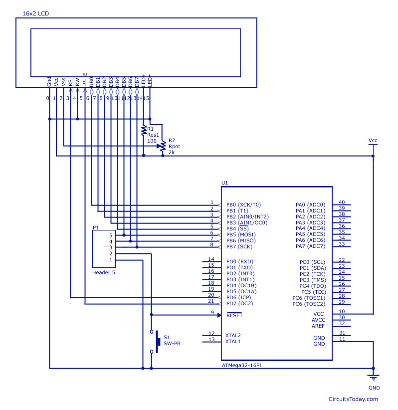
Here to interface LCD with Avr, an 8 bit data bus is required. In addition we need 2 bit control bus for write only mode or 3 bit control bus for Read plus write mode. Connect pin 1 of the LCD module to ground, pin 2 to +ve supply. Connect a Pot (2 to 5 K Ohm) across the supply and ground. Connect the middle pin of the pot to pin3 of LCD module. If you want to light up the back light, connect the –LED pin to ground. Connect the +LED pin of the LCD to the +ve supply using a resistor. Figure below is the two circuit diagrams!
Interfacing LCD with Atmega8 (in 8 bit mode)-Circuit Diagram

Interfacing LCD with Atmega32 (in 8 bit mode)-Circuit Diagram

Now, I’ve written up two routines for two separate cycles. One is used to transfer data (or character). Another sends command. In C code, they are listed under the functions ‘LCD()’ and ‘LCDcmd()’ respectively. To prevent crash of data, we must allow the LCD to complete execution of each operation. Here we will be using delay loops available from the AVR studio Library. Each instruction or data takes at least 40uS to get executed. Longest wait loop is of 1.65mS. For further details, read my note upon LCD display (Wait a minute. It shouldn’t be ‘LCD display’, instead ‘LC display’. But ‘LCD display’ is widely used ) & AVR Library overview for beginners. Let’s check the code One more thing, it is better that to copy and paste this code in notepad (Or word pad or MS word) and check this code.
//-------------------------------------------------------- Start
#include
#include
#define DPORT PORTB //Define Data port
#define DPDDR DDRB
#define CPORT PORTD //Define Signals port
#define CPDDR DDRD
#define RS PD6 //Signal Pins, Reset
#define EN PD7 //Signal Pins, Enable
//Pre-defining Commands
#define LCDClear 0x01 //Clears LCD Display
#define LCD8bit 0x38 //Sets up LCD in 8bit mode
#define LCDCursorOn 0x0f //Enables Cursor
#define LCDSeek00 0x80 //Seeks the pointer to the begeining
void LCD(char ch);
void LCDcmd(void);
void LCDInitialize(void);
int main()
{ DPDDR=0xff;
CPDDR=0xf0;
_delay_ms(2000);
LCDInitialize();
LCD(‘C’);
LCD(‘i’);
LCD(‘r’);
LCD(‘c’);
LCD(‘u’);
LCD(‘i’);
LCD(‘t’);
LCD(‘s’);
LCD(‘ ’);
LCD(‘T’);
LCD(‘o’);
LCD(‘d’);
LCD(‘a’);
LCD(‘y’);
return 0;
}
void LCD(char ch)
{ DPORT=ch; //Put values to ports
CPORT=(1<
_delay_us(10);
CPORT=(1<
_delay_us(45);
}
void LCDcmd(char ch)
{ DPORT=ch;
CPORT=(0<
_delay_ms(10);
CPORT=(0<
_delay_ms(45);
if(ch==0x01||ch==0x02) // If commands are LCD Clear or
// LCDSeek00, delay 2mS
_delay_ms(2);
}
void LCDInitialize(void)
{ LCDcmd(LCD8bit);
LCDcmd(LCDCursorOn);
LCDcmd(LCDClear);
LCDcmd(LCDSeek00);
}
//-------------------------------------------------------- End
Now I’ve used Lots of crazy symbols in my program. Here is a summary.
- In C, ‘0x’ prefix represents a hexadecimal number. ‘0b’ represents binary.
- ‘|’ is the bitwise ‘OR’ operation. Here, 0b0010|0b0110=0b0110.
- ‘||’ is the Logical ‘OR’ test. If in statement ‘A||B’, if value of either or both of the operand is NOT Zero (or True), then the statement result is TRUE.
- ‘≪’ stands for Bitwise right shift operation. Here, 0b0001≪2 =0b0100.
- ‘≫’ stands for Bitwise left shift operation. Here, 0b1000≫1 =0b0100. Just for your knowledge, I’ve not used them in this article.
So that was basic version of the code. Let’s see some better functions to be compiled.
//-------------------------------------------------------- Start
#include
#include
#define DPORT PORTB //Define Data port
#define DPDDR DDRB
#define CPORT PORTD //Define Signals port
#define CPDDR DDRD
#define RS PD6 //Signal Pins, Reset
#define EN PD7 //Signal Pins, Enable
#define LCDClear 0x01 //Clears LCD Display
#define LCD8bit 0x38 //Sets up LCD in 8bit mode
#define LCDCursorOn 0x0f //Enables Cursor
#define LCDSeek00 0x80 //Seeks the pointer to the begeining
void LCD(char ch);
void LCDcmd(void);
void LCDInitialize(void);
void printStringLCD(char *str);
int printIntLCD(unsigned int i);
int main()
{ DPDDR=0xff;
CPDDR=0xf0;
_delay_ms(500);
LCDInitialize();
printStringLCD("Circuits Today");
_delay_ms(5000);
LCDcmd(LCDClear);
prinStringLCD(“Print an Integer”);
LCDcmd(0xc0);
printIntLCD(990);
return 0;
}
void LCD(char ch)
{ DPORT=ch; //Put values to ports
CPORT=(1<
_delay_us(10);
CPORT=(1<
_delay_us(45);
}
void LCDcmd(unsigned char ch)
{ DPORT=ch;
CPORT=(0<
_delay_us(10);
CPORT=(0<
_delay_us(45);
if(ch==0x01||ch==0x02)
_delay_ms(2);
}
void LCDInitialize(void)
{ LCDcmd(LCD8bit);
LCDcmd(LCDCursorOn);
LCDcmd(LCDClear);
LCDcmd(LCDSeek00);
}
void printStringLCD(char *str)
{ int i=0;
while(str[i]!='\0')
{ DPORT=str[i]; //Put values to ports
LCD(ch);
i++;
}
}
int printIntLCD(unsigned int i)
{ static int a;
a=0;
if(i!=0)
{ printIntLCD(i/10);
LCD(‘0’+i%10);
a++;
}
return a;
}
//-------------------------------------------------------- End